防爆閥FBF-I FBF-II
丁寶勤 13906276368(技術)
電話:0513-88400999 傳真:0513-88400998 郵箱:jszk@vip.163.com
概述
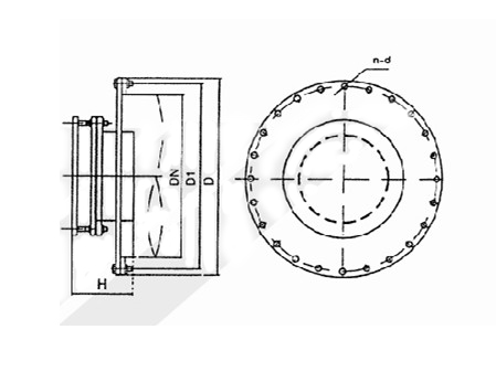
防爆閥FBF-I FBF-II廣泛適用于建材、冶金、化工、電工等行業部門,作為壓縮易爆管道的卸壓裝置,特別適用于煤磨系統及存放易燃易爆氣體物質的倉庫使用。江蘇中礦防爆閥結構簡單,由鋼制焊接筒體和防爆閥片組成。當系統壓力大于0.1 Mpa表壓力時,防爆閥片自行破裂,防止系統發生爆炸,以保證人身和生產安全。
技術參數表

主要連接尺寸
A×A | B×B | C×C | H | n-d | 重量(kg) | DN | D | D1 | H | N-D | 重量(kg) |
200×200 | 270×270 | 305×305 | 220 | 8-Φ18 | 40 | 200 | 305 | 270 | 220 | 9-Φ18 | 37 |
250×250 | 335×335 | 370×370 | 250 | 12-Φ18 | 48 | 250 | 370 | 335 | 250 | 12-Φ18 | 44 |
300×300 | 385×385 | 425×425 | 300 | 12-Φ18 | 54 | 300 | 425 | 385 | 300 | 12-Φ18 | 55 |
350×350 | 435×435 | 477×477 | 350 | 12-Φ18 | 67 | 350 | 477 | 435 | 350 | 12-Φ18 | 65 |
400×400 | 490×490 | 536×536 | 400 | 12-Φ18 | 85 | 400 | 536 | 490 | 400 | 12-Φ18 | 82 |
450×450 | 540×540 | 588×588 | 450 | 16-Φ18 | 99 | 450 | 588 | 540 | 450 | 16-Φ18 | 94 |
500×500 | 600×600 | 649×649 | 500 | 16-Φ18 | 112 | 500 | 649 | 600 | 500 | 16-Φ18 | 108 |
600×600 | 700×700 | 750×750 | 550 | 16-Φ18 | 152 | 600 | 750 | 700 | 550 | 16-Φ18 | 142 |
700×700 | 800×800 | 850×850 | 550 | 16-Φ18 | 204 | 700 | 850 | 800 | 550 | 16-Φ18 | 180 |
800×800 | 900×900 | 950×950 | 600 | 20-Φ18 | 228 | 800 | 950 | 900 | 600 | 20-Φ18 | 202 |
適用介質 | 適用溫度 | 使用壓力 |
壓縮易爆氣體 | ≤80℃ | ≤0.1MPa |







.jpg)




